东莞市晟力机械有限公司

您有什么问题吗?
0769-85926516

直齿轮

全国服务热线
0769-85926516
  • 产品详情

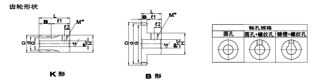
1.5模K形B形规格

037682d6b79d7c7455fc09c65e73b896.png


1.5模KB形尺寸


19fb7e554b806a3bebdb337b2bae3a0e.jpg


E选购键槽孔+螺纹孔的轴孔直径10、键槽宽4.0mm(高1.8mm)的规格时,请将P尺寸指定为10K。DP.1166 X带*的GEAHS、GEAS、GEAKS没有齿轮。

*1表中的容许传递力是在普通条件下算出的参考值。条件请参阅DP.1166。齿宽全部按10mm计算。 E不销售未标记交货期的产品。


{/if}
咨询热线
0769-85926516
东莞市厚街镇宝屯陈屋村和平路南2号
[ 扫一扫关注我们 ]
Copyright © 2023 东莞市晟力机械有限公司   粤ICP备2023031677号

咨询热线

0769-85926516

邮箱

tengdaf@163.com

微信咨询